ФИЗИЧЕСКИЕ ВЕЛИЧИНЫ: система
Величины– всё то, что можно измерить и исчислить.
И привести в порядок!
СИСТЕМА ФИЗИЧЕСКИХ ВЕЛИЧИН И СИСТЕМА ЕДИНИЦ
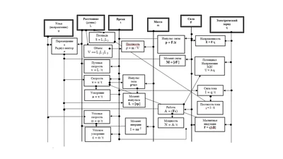
Под системой физических величин понимается совокупность физических величин вместе с совокупностью уравнений, связывающих эти величины между собой. Основной закон, используемый для формирования системы физических величин – второй закон Ньютона: если на тело массой m действует сила F, оно движется с ускорением, прямо пропорциональным величине силы и обратно пропорционально массе.: a=F/m. Здесь закон записан в скалярной форме, так как в данном случае имеют значение только числовые значения физических величин. Физическая величина «ускорение» определяется через базовые физические величины «расстояние» и «промежуток времени».
В научной и образовательной практике в качестве базовой величины обычно принимается масса и в СИ фигурирует в числе семи основных единица массы – килограмм. Тогда сила определяется как величина, равная произведению массы на ускорение F=ma и размерность силы: 1 Н = 1 кг∙м/с2.
Но… Во-первых, математически масса и сила в формуле второго закона равноправны. Во-вторых, масса является характеристикой только гравитационного взаимодействия, тогда как сила характеризует любое взаимодействие. Масса как мера инертности определяет лишь одно из ряда свойств тел. Поэтому более обоснованным является выбор в качестве базовой величины не массу, а силу [1]. Этот подход реализован в последних изданиях учебника Мякишева.
Сила, масса и электрический заряд вместе с расстоянием, углом и временным промежутком составляют систему базовых физических величин, обычно не определяемых через другие величины. Однако масса, электрический заряд, угол и все остальные физические величины производные, они могут быть выражены через комбинацию только трех «истинно» базовых величин (расстояние, время, сила) математическими действиями – умножением или делением. Соответственно, размерности всех физических величин могут быть получены комбинацией трёх единиц: метр, секунда, ньютон. Систему базовых величин иногда отождествляют с системой единиц (в частности, с международной системой СИ или SI), предназначенных для количественной оценки (измерения) этих величин. Система физических величин связана с системой единиц размерностью, т. е. выражением выбранной физической величины через основные единицы. Современная международная система единиц СИ базируется на семи основных единицах: метр, секунда, килограмм, ампер, кельвин, моль, кандела. Но базовых физических величин только три! *
* Разработаны современные теории, в которых оказывается достаточно только двух или даже одной базовой физической величины. [2]
ФУНДАМЕНТАЛЬНЫЕ ФИЗИЧЕСКИЕ ПОСТОЯННЫЕ
В системе физических величин особое место занимают фундаментальные физические постоянные, входящие в уравнения физических законов или связывающие между собой размерности некоторых физических величин.
Гравитационная и электрическая постоянные, входящие в формулы законов всемирного притяжения и Кулона соответственно, связывают размерности количественных характеристик (мер) способности объектов к взаимодействию (массы и электрического заряда) с размерностями характеристики взаимодействия (силы) и пространства (расстояния).
F = G m2 / r2 ; G = 6,672041․10-11Нм2кг2.
F = k q2 / r2; k = 9․109Нм2Кл2.
До введения международной системы единиц СИ в физике применялись системы СГСЕ (абсолютная электрическая), СГСМ (абсолютная магнитная) и объединяющая их система Гаусса [3]. Основные единицы в этих системах – сантиметр, грамм, секунда. Единица силы – дина. Электрическая постоянная в законе Кулона, записанном в этих системах, равна единице. Единица электрического заряда в системе СГСЕ равна величине одного из двух одинаковых зарядов, находящихся на расстоянии 1 см друг от друга и взаимодействующих силой 1 дина.
Постоянная Планка – через частоту связывает размерность энергии с размерностью времени; связывает взаимодействие со временем!
E=hγ; h=6,63∙10-34 Дж∙с.
Постоянная Больцмана – связывает размерности температуры и энергии, а также безразмерную статистическую энтропию с термодинамической.
E~kБT; Sтерм=kБSстат ; kБ=1,38∙10-23 Дж/К.
Скорость света – предельно возможная скорость реальных объектов – ограничивает возможность перемещения объектов в пространстве.
Элементарный электрический заряд – характеризует дискретность изменения величины электрического заряда реальных тел.
Число Авогадро NA и газовая постоянная R – не являются фундаментальными физическими величинами, а используются для перевода физических величин, характеризующих отдельные микрообъекты (молекулы), к величинам, характеризующим макрообъекты, содержащие значимое для практики большое число молекул.
Итак: базовые величины: расстояние, промежуток времени, сила; угол, масса, электрический заряд.
1.Ивлев В. И. Сила и масса: последовательность введения понятий в школьном курсе физики // Потенциал. 2017. № 3. С. 77-80.
2. https://naked-science.ru/article/physics/we-only-need-time?utm_source=inarticle&utm_medium=inarticle&utm_campaign=inarticle
3.https://spravochnick.ru/fizika/gaussova_sistema_edinic_sgs/#absolyutnaya-elektrostaticheskaya-sistema-edinic

|